Каталог
-
Комбинированные дорожные машины
- Запчасти к ЭД-244, ЭД-403, ЭД-405 и модификаций
- Запчасти к ЭД 405В1
- Запчасти к КО-713
- Запчасти к КО-713Н
- Запчасти к коммунальным машинам типа МДК
- Запчасти к КО-823
- Запасные части на КОМ РК-12
- Запчасти к КО-806
- Запчасти к КО-829 и модификаций
- Запчасти к КДМ-130/130Б
- Запчасти к коммунальным машинам типа МКДУ
- Запчасти к коммунальным машинам типа МКДС
- Запчасти к коммунальным машинам типа ДМК
- Запчасти для коммунального оборудования ПРС (ПК Ярославич)
- Запчасти для коммунальной техники (разное)
- Запчасти для центробежных насосов
- Запчасти к ДМ-28
- Запчасти к КДМ 7881
- Запчасти на коммунальные машины Меркатор Калуга
- Крыльчатки для центробежных насосов
- Насосы водяные высокого давления и комплектующие
- Транспортеры МДК
- Транспортеры со скребками и цепи пескоразбрасывателей
- Щеточные валы
-
Навесное оборудование МТЗ и запчасти
- Запчасти к щеточному оборудованию производства Сальсксельмаш
- Запчасти к щеточному оборудованию ЩО-822
- Навесное оборудование МТЗ-82
- Запчасти к поливомоечному оборудованию ПМ-822
- Насос водоотливной С-245
- Запчасти для погрузчика ПКУ-0,8
- Запчасти к косилкам ORSI, Bomford
- Запчасти к косилкам КРН
- Запчасти к пескоразбрасывателю Л-415
- Запчасти к фрезе дорожной
- Запчасти на пескоразбрасыватель полуприцепной ПРК-3
- Отвалы на МТЗ
- Плужное оборудование для МТЗ
- Щетка для МТЗ
-
Расходные материалы
- Диски щеточные
- Для поливомоечного оборудования
- Запчасти для насоса BP-300
- Карданные валы
- Краны шаровые
- Ножи для грейдера
- Ножи для коммунальной техники
- Пневматика
- Подшипники
- Подшипниковый узел
- Рукава (шланги)
- Скребки для транспортера
- Техпластина ТМКЩ
- Транспортерные цепи
- Фильтры и фильтрующие элементы
- Запчасти МТЗ 80, 82
-
Запчасти на мусоровозы
- Бункеровозы
- Гидрораспределители на мусоровозы
- Гидроцилиндры и запчасти к мусоровозам производства ОАО «Ряжский АРЗ»
- Гидроцилиндры мусоровозов (телескопические)
- Мусоровоз КО-440-5 гидроцилиндры, гидрооборудование, запчасти
- Мусоровоз КО-449 гидроцилиндры и запчати
- Мусоровоз МК4446, -44 и модификаций
- Мусоровозы КО-440-4, -3, -2 запчасти и гидроцилиндры
- Мусоровозы типа КМ, БМ гидроцилиндры
- Телескопические гидроцилиндры
- Тросы Indemar
- Запчасти к вакуумным машинам
- Подметально уборочные машины
- Снегоуборочная техника
- Каналопромывочные машины
- Илососные машины
- Коробка отбора мощности
- Запчасти к компрессорам ПКСД, ПКС, ПК
- Гидравлическое оборудование
Коробки отбора мощности для КПП МАЗ
-
КОМ Hydrax HDX-M04P1 ISOВ наличии
Артикул: 00001675635 800 ₽
-
КОМ Hydrax HDX-M03P1 UNI МАЗ (без фланца)В наличии
Артикул: 00000000030 800 ₽
-
Фланец CEVHER 03В наличии
Артикул: 0000148314 820 ₽
-
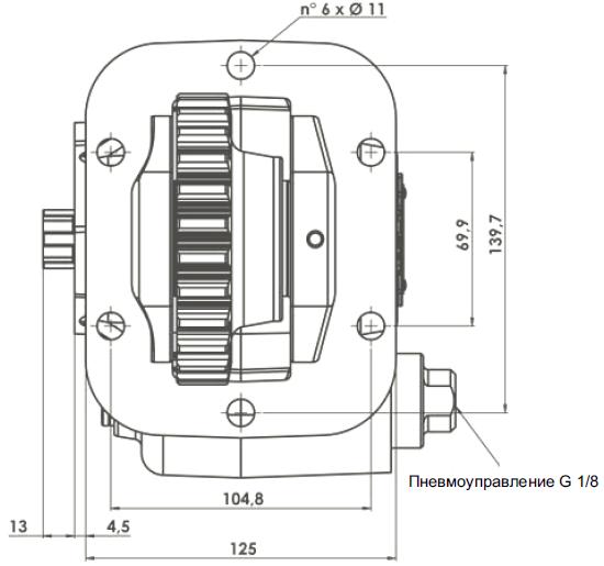
Коробка отбора мощности Hydrax HDX-M03P1-FLC-03 для кпп МАЗВ наличии
Артикул: 00001385238 600 ₽
-
Пневмоцилиндр МП02-4215081-03В наличии
Артикул: 0000151697 420 ₽
-
Коробка отбора мощности КОМ Binotto 08607100 139
Под заказ [Срок доставки от 7 дней]
Артикул: 000011250Цена по запросу
-
Коробка отбора мощности МП-58 в сборе гидронасосом 310.4.56.04.06
В наличии
Артикул:Цена по запросу
-
Коробка отбора мощности Гидропривод OMFB 08607100 139Под заказ [Срок доставки от 7 дней]
Артикул: 000011250Цена по запросу
-
Плита переходная 433420-4206250 (КОМ-7) (снята с производства)
Под заказ
Артикул: 000011056Цена по запросу
-
Шестерня 05.4202018.01 СВ
В наличии
Артикул: 0000110604 930 ₽
-
Коробка отбора мощности OMFB 086-072-00138 UNI
Под заказ [Срок доставки от 3 дней]
Артикул: 000011028Цена по запросу
-
Коробка отбора мощности МАЗ МП58-4202010 (под фланец)
В наличии
Артикул: 00001101733 790 ₽
-
Коробка отбора мощности МАЗ 344АD (аналог КОМ-6)В наличии
Артикул: 00001101094 000 ₽
Устройство коробки отбора мощности МАЗ
Коробка отбора мощности МАЗ представляет собой вспомогательный узел для грузовика, предназначенный для приведения в действие специализированного навесного оснащения. Благодаря детали обеспечивается долговременная работу при высоких оборотах. Функционально КОМ является связующим звеном между трансмиссией грузовика и техническим оборудованием специального назначения — самосвальным механизмом, подъемным краном и т. д.
Монтаж КОМ для МАЗ осуществляется с торца средней части корпуса КПП грузового автомобиля. Количество одновременно установленных коробок варьирует от 1 до 3-х единиц. Синхронизацию ведущих звеньев выполняют с помощью люка автомобильной трансмиссии. Включается коробка отбора мощности МАЗ зубьями муфты, соединяющей все действующие валы в безнагрузочном состоянии.
Особенности коробок
В зависимости от предназначения, условий работы и специализации, коробка отбора мощности МАЗ может быть выполнена в различной конфигурации и технологическом исполнении. Это следует принимать во внимание при выборе нужной модификации. От технических характеристик и эксплуатационных показателей коробки зависит также ее цена.
Технически коробка отбора мощности МАЗ изготавливается различных типов и имеет отличия по следующим параметрам:
- • привод — механика, электромеханика и пневматика;
- • число отношения передачи от коленвала к валу коробки;
- • имеет или не имеет реверс;
- • число ступеней;
- • взаимным размещением валов.
Еще одним немаловажным параметром является уровень нагрузки на установленные дополнительные узлы. Коробка отбора мощности МАЗ может передавать вспомогательным устройствам и оборудованию до 40% общей мощности, вырабатываемой автомобилем. Особенности установки коробки зависят от конкретной модификации и ее техстандартов.
Эксплуатация и обслуживание
Установленную коробку мощности на МАЗ следует регулярно подвергать осмотру и техническому обслуживанию. В него входит контроль уровня и состояния масла, а также проверка крепления. При наличии ослаблений крепежа следует подтянуть гайки и удостовериться в надежности затяжки. Проверять, доливать и менять масло можно одновременно с заменой масла в КПП.
Смотрите также: Коробки отбора мощности КАМАЗ , Диски щеточные
Заказ товара
Оформить заказ можно на сайте. Доступны товары для МАЗ по выгодным ценам. Приобрести продукцию можно оптом. Планируете совершить покупку позднее? Добавьте товары в избранное, чтобы вернуться к ним в удобное время. Если остались вопросы — оставьте заявку на сайте или позвоните по номеру + 7 (495) 575-41-52 — наши менеджеры ответят на все вопросы по представленным товарам и помогут подобрать нужный.
